氧气连续在线分析系统
系统型号:agp200/agp300/agp500

agp200/agp300系统功能
1、选用电化学式氧气分析仪,量程0296vol/0-596vol/0-1096vol/0-25%/0-3096vol可选,报警值可自由
设定。
2、根据现场工艺参数设计定制化的预处理系统,采用洗气、冷凝、过滤、干横等措施去除水、杂质、有机洛
剂等对传感器的影响。
3、可选配电磁阀、交流接触器、声光报警器等联锁装置,当氧气浓度超过预设报警值时,可实现报警提醒、
自动充氮置换或停机保护等功能。

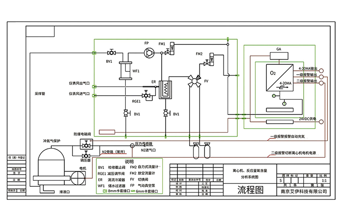
agp5oo 系统功能
agp500型氧气在线分析仪系统用于离心机反应第内氧含量在线监测,反应等在投有易燃易爆物时,氧含
系统功能量的控制对于安全生产至关重要,当氧含量超标时,实现预警提醒等功能,保障生产安全。

1、选用电化学式氧气分析仪,量程0.29%v0l/0596vol/0-1096vol/0.256vol可选,报警值可自由设定。
2、根据现场工艺参数设计定制化的预处理系统,采用洗气、冷凝、过滤、干燥等措施去除水、杂质、有机溶
剂等对传感器的影响。
3、可选配电磁阅、交流接触器、声光报警器等联锁装置,当氧气浓度蹈过预设报警值时,可实现报警提醒、
自动充氮置换或停机保护等功能。
4、具有4-20ma等标准输出信号,可兼容各类plc/dcs系统。
5、承重滑轮,静音设计,坚固耐用。可以轻松移动分析仪设备,无儒固定安装点,减少前端采样管路或供电
电路。
6、可充电锂电池,一次充满,正常使用时长大于24小时,同时配有防爆箱,使用更安全。
咨询:氧气连续在线分析系统